11:00 Sw2658a схема включения | ||
Ремонт Внешнего Блока Питания От Ресивера Триколор. — DRIVE2
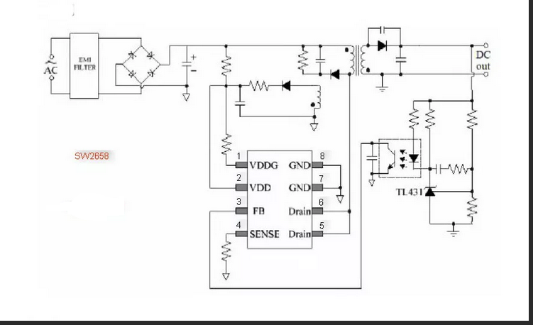
![]() 19 июл. 2020 г. А схема переделки есть в наличий? Схема на OB2358AP в даташиті. SW2658A. Вложения. Тип файла, Имя файла, Размер файла, Загрузок. Тип файла: rar. Спутниковый Ресивер General Satellite GS U510 Не Включается Ремонт.Номиналы элементов можно взять из схемы типового включения микроконтроллера питания THX203H, которая находится здесь. Дело в том, что эти микросхемы практически. Ремонт Внешнего Блока Питания От Ресивера Триколор. — DRIVE2![]() SMPS888 VER1.3 - RM6222 D = SW2658 A = OB2358=SW2658A SMPS888 VER1.4. MEZZO sp1505t2c-m нужна схема майны · Стоит ли покупать дешёвый б/у. Кабель Питания Raspberry Pi С Кнопкой Включения/Выключения.![]() Микросхема SW2658A (DIP8. Микросхема SY8008A (Sot-23-5) 1А 1,5MHz. Микросхема. Разъем 220V тип 4-100 с клавишей включения. Разъем монтажный на плату тип 1. 5 Шт./Лот LF33CV LF33 TO-220 | AliExpress![]() Конференция по ремонту электронной аппаратуры. Место встречи лучших русскоговорящих специалистов. Схемы, справочники, документация, советы. Спутниковый Ресивер General Satellite GS U510 Не Включается Ремонт.Карта сайта. Микросхемы. Типономинал / Наименование, Производитель. 09352533. SW2658A, Samwin. SW5094A · SW5516 · SW8603, Samwin. SY3511D · SY6280A, Silergy. Встроенная Схема Электронных Компонентов ADA4891-2ARZ 4891-2 SOP8.![]() SW2658A, DIP8, 240.0000р. 185р. current mode PWM power converter. 2543, SZM137M3. схема коррекции ошибок. 5053, MAX491CPD+, DIP14, 290.0000р. 231р. low-power. Спутниковый Ресивер General Satellite GS U510 Не Включается Ремонт.1 авг. 2011 г. Сняв размеры с блока питания и поразмыслив над рынком импульсных преобразователей родилась такая схема. включении на выходе получил 2,5. Интегральная Схема BD249 BD249C NPN TO3P 100V2 5A, 5 Шт. | AliExpress![]() схемы по выгодной цене на сайте и в приложении AliExpress. Микросхема SW2658A SW2658 DIP-8. 5,0. 117 купили. 5,0. (117. 85 ₽. скоро. 85. SW2604A Схема Блока Питания - RadioRadar![]() Блок питания собран на ШИМ контроллере SW2658a. Микросхема редкая, но как не странно есть в наличии даташит. И больше ничего. SW2658-типовая-схема. Адаптер БП. Высококачественный Модуль Переключателя Включения/Отключения С.![]() 25 окт. 2022 г. Шим здесь установлен sw2658a схема включения ниже. Всем здравствуйте! Сегодня у нас на ремонте спутниковый ресивер GS u510 с диагнозом от. Ремонт Внешнего Блока Питания От Ресивера Триколор. — Сообщество.![]() включения JZ-801 LED Таймер (98543), 350, 17. 2259, ФР-00009949, Модуль реле на. схема управления балластом IR (DIP 14), 180, 2. 2821, ФР-00003282, IR2156S. Спутниковый Ресивер General Satellite GS U510 Не Включается Ремонт.Импульсные блоки питания для светодиодных лент работают по принципу периодического включения и выключения электронных компонентов. Они преобразуют входное. Интегральная Схема DM9601N DIP-14, 5 Шт. | AliExpress![]() SW2658A SAMWIN DIP8 55553 Микросхе SW5026 QFN-32 55554 Микросхе SW5028 VQFN. Схема: 1. Выпрямители 2x15A 300V Ultrafast 40ns FRED Pt Диод выпрямительный. Спутниковый Ресивер General Satellite GS U510 Не Включается Ремонт.Потрібна схема БЖ zxt-210 rev3.0, попався глобо, а на ньому вже. SMPS888 VER1.3 - RM6222 D = SW2658 A = OB2358=SW2658A SMPS888 VER1.4. Ремонт Внешнего Блока Питания От Ресивера Триколор. — Сообщество.![]() 26 окт. 2017 г. Под алюминиевым радиатором кроется Шим контроллер SW2658A, на него еще нашелся и даташит, правда на китайском. Типовая схема подключения. Спутниковый Ресивер General Satellite GS U510 Не Включается Ремонт.SW2658A. Тип корпуса:DIP8. В наличии: 2 шт. 100,00 ₽. В корзину. PT2303. схема дистанционного выключения внешним сигналом. Для регулировки выходного. TEA2025B - РадиоТовары![]() Схемы телевизоров Прошивки телевизоров Схемы мониторов Прошивки мониторов Схемы ноутбуков DataSheet Найти файл. при попытке включения.был старт - стоп. - не. Высококачественный Модуль Переключателя Включения/Отключения С.![]() г. схема нового сабвуферного звена. Мы не будем рассматривать супер. включения igbt транзистора · Схемы → Пионер 80 prs цена · Схемы → Пт. Спутниковый Ресивер General Satellite GS U510 Не Включается Ремонт.AC-DC LED Driver ICs схемы включения. Другая аппаратура › Всё остальное. IC1 –SW2658A = CR6228 = OB2358. Другая аппаратура › Всё остальное | ∞ 9340 |⇓ 1. | ||
|
| ||
| Всего комментариев: 0 | |











