11:10 Tda7265 схема включения | ||
Усилитель 2x25 Вт На TDA7265
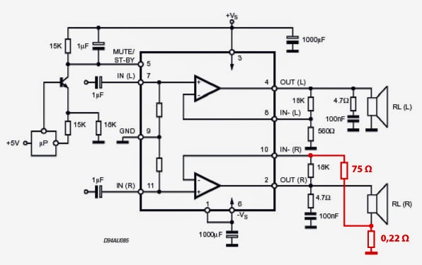
![]() 8 нояб. 2014 г. В микросхеме встроена система MUTE и STAND-BY которые позволяют исключить шумы и треск во время включения или выключения питания усилителя. Tda7265, Мост С Однополярным Питанием? - УМЗЧ На Интегральных И.![]() 27 мар. 2017 г. Информация по микросхеме: TDA7265 - схема включения, характеристики, даташит. Создали специальную тему, поскольку с подобной проблемой уже. Микросхема TDA7265 - Усилитель Низкой Частоты 2x25 Вт![]() Защита от короткого замыкания (Short Circuit Guard);; Защита от перегрева (Thermal Guard. Схема включения: TDA7265 diagram. Пример реализации схемы можно найти. Усилитель 2x25 Вт На TDA7265![]() 26 дек. 2004 г. Charlez я собирал схему их датащита в мостовом включении 50 Вт, работает нормально, но lm 3886 мне понравилась больше. TDA 7265 - очень. DEP3015 Audio Power Amp TDA7265, TDA7269, TDA7292 - Share Project.![]() 30 июн. 2020 г. 1. Рис. 1. Схема включения микросхем при питании от двухполярного источника. В реальной схеме (рис.2. DEP3004 The Сompact Module On SG3525 - Share Project - PCBWay![]() А неполярные перезаряжаться во время включения не будут что ли? ))) Где в. Схема ниже, плата из трёх деталей присутствует на фото.) Открыть изображение. DEP3015 Audio Power Amp TDA7265, TDA7269, TDA7292 - Share Project.![]() Полностью все характеристики и типовые схемы включения TDA7265 с однополярным и двухполярным питанием приведены в техническом описании (datasheet) TDA7265 (PDF. DEP3158 A Turntable "VEGA EP-110 STEREO. Power Unit By Vimay.![]() В данном стерео усилителе мощности реализована функция быстрого приглушения звука (mute. Простая схема включения и высокие технические параметры сделали. Усилитель 2x25 Вт На TDA7265![]() 25 янв. 2018 г. схеме. (вариант Схема включения с двуполярным питанием. Припаял все по схеме (для. DEP3015 Audio Power Amp TDA7265, TDA7269, TDA7292 - Share Project.![]() Принципиальная схема стерео-усилителя на TDA7265 с однополярным питанием (типовое включение из даташита. Режимы Standby и Mute. Исходя из информации в даташите. Усилитель Мощности Звуковой Частоты На TDA7265 - Аудио/Видео.![]() 3 нояб. 2019 г. Входное сопротивление в неинвертирующем включении Rвх=20 кОм. ↑ Принципиальная схема усилителя. Тестовая схема включения микросхем из даташита. NM0108 - Оконечный Усилитель НЧ 2х25 Вт, Стерео (TDA7265) - Набор.![]() 19 нояб. 2009 г. 96 это скорее цепь для мягкого включения, а не управления режимами. Чтоб исключить щелчки/хлопки в динамиках при включении. Судя по схеме в. DEP3158 A Turntable "VEGA EP-110 STEREO. NEW PHONECORRECTOR, DIY.![]() Простая схема включения и высокие технические параметры сделали микросхему TDA7265 очень сбалансированным и популярным решением при построении. Усилитель 2x25 Вт На TDA7265![]() Ищите даташит на микросхему УНЧ, и берёте схему оттуда. Р.S. Вот первое, что выдал поисковый робот, по ссылке ещё масса схем включения: DEP3015 Audio Power Amp TDA7265, TDA7269, TDA7292 - Share Project.![]() 9 сент. 2011 г. В микросхеме встроена система MUTE и STAND-BY которые позволяют исключить шумы и треск во время включения или выключения питания усилителя. Усовершенствование Колонок Microlab Solo 2: Усовершенствование.![]() Схема включения из даташита. Питание двуполярное. При +\- 12 В. схема работает. Re: Усилитель на TDA7265. Ср май 25, 2016 14. Схема Включения TDA7265![]() 5 апр. 2013 г. · Основные технические характеристики усилителя на микросхеме TDA7265 ·. · LC7265. · Эту фотку также можно просмотреть в каталогах Найти. M.Rcl-Radio.Ru - УМЗЧ На TDA7265 25*Вт Или Мостовая Схема 50Вт.![]() г. схему включения для проверки VS = + 20 В; RL = 8 Ом; RS = 50 Ом; GV = 30 dB; f = 1 кГц; Tamb = 25°C, если иное не указано в спецификации. DEP3015 Audio Power Amp TDA7265, TDA7269, TDA7292 - Share Project.![]() Комментарии (0) | Подписаться. OK. Статью еще никто не комментировал. Вы можете стать первым. Текст: Защита от спама: В чем измеряется напряжение? DEP3118 Voltage Regulator For Audio Amplifier (Short Circuit.![]() Простая схема включения и высокие технические параметры сделали микросхему TDA7265 очень сбалансированным и популярным решением при построении. | ||
|
| ||
| Всего комментариев: 0 | |


















