11:11 Tda7384 схема усилителя | ||
Микросхема TDA7384 (ID#1847264462), Цена: 138 ₴, Купить На Prom.Ua
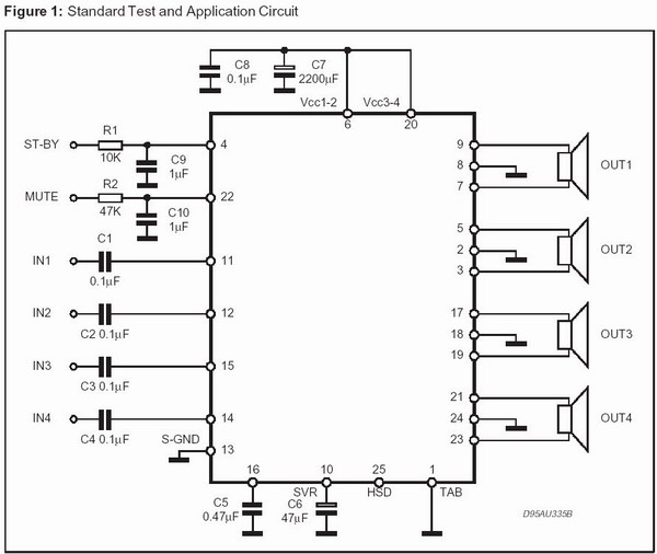
![]() 6 янв. 2019 г. УНЧ НА TDA7384 · ЦОКОЛЁВКА МИКРОСХЕМЫ TDA7384 · Типовая принципиальная схема усилителя на TDA7384 · УСИЛИТЕЛЬ НА МИКРОСХЕМЕ TDA7384 - внешний вид м. 4-Канальный Усилитель М/С TDA7384 (4x40Вт) 9-18В. (ID#380405581.![]() 18 нояб. 2013 г. Добрый день помогите найти печатную плату в формате.lay для усилителя низкой частоты на микросхеме TDA 7384. Схема вот такая. post-174423-0. Плата Под Квадро. - Усилители - УНЧ И Другая Электроника | FacebookНапример делитель вот этот подойдёт? (полосы не режет, да и выход отлично поживать будет. А вот схему подобрал например на TDA7384. Думаю. Микросхема Усилитель TDA7384 (ID#68975956), Цена: 102 ₴, Купить.![]() 14 сент. 2015 г. Далее аудилсигнал подается на усилитель TDA7384. Схемы подключения и номиналы компонентов для TDA7313 и TDA7384 по документации. При. Форум РадиоКот • Просмотр Темы - Усилитель На TDA7386![]() г. 16.05.2020 - Схема включения TDA7384 TDA7386 TDA7560 чертеж печатной платы для изготовления своими руками. 4-Канальный Усилитель М/С TDA7384 (4x40Вт) 9-18В. (ID#380405581.![]() 1 шт., интегральная схема усилителя звука TDA7294 Multiwatt-15 TDA7294V. 1. Усилитель 4х40 На TDA7384 — Nissan Cefiro (A32), 2 Л, 1996 Года.![]() 22 мар. 2019 г. Схема содержит вполне минимальное количество компонентов обвязки для четырех каналов усиления. Режимы ST-BY (ожидания) и MUTE (приглушения. Усилитель Своими Руками, Схемы, Инструкции, Фото![]() 13 нояб. 2012 г. Усилитель 4х40 на TDA7384. Aleks. Ну вот сегодня дошли руки, и я наконец то его спаял. Фото в бортжурнале Nissan Cefiro (A32) Схема усилителя. Схема Включения TDA7384 TDA7386 TDA7560 | Принципиальная Схема.![]() Заказать 4-канальный усилитель м/с TDA7384 (4x40Вт) 9-18В. (ID#380405581) в Украине на маркетплейсе Prom.ua. Цена: 225 ₴. Продавец: "SashaMika. Схема Включения TDA7384 TDA7386 TDA7560 | Усилитель, Автомобильная.![]() Микросхема TDA7384 - высококачественный квадрофонический усилитель низкой частоты. Далее нужно изготовить плату, хотя для такой простой схемы можно обойтись и. Усилитель Своими Руками, Схемы, Инструкции, Фото![]() вот схема. бери да собирай. Миниатюры. tda7384.gif. mettrofan вне форума. Старый 29.01.2012, 22:17. aaandreiii. Member. Регистрация: 12.10.2011. 28. Усилитель Мощности На TDA7386 (TDA7385, TDA7384, TDA7383, TDA7381)![]() Квадро усилитель с предусилителем и регуляторами громкости TDA7384 4х40Вт. фото), схема прилагается! Отзывы. Добавьте первый отзыв. Написать отзыв. Новый отзыв. Усилитель Для Колонок Своими Руками | Усилитель, Принципиальная.![]() 25 нояб. 2017 г. Más como esto ; an electronic circuit diagram with multiple components. Схема включения TDA7384 TDA7386 TDA7560. Усилитель 4x35 Вт На TDA7384Q - Аудио/Видео - Портал Радиолюбителей![]() Интегральные четырехканальные усилители мощности на TDA7384 и TDA7560 TDA7384.pdf TDA7560.pdf принципиальная схема описание схема включения рекомендации. 4-Канальный Усилитель М/С TDA7384 (4x40Вт) 9-18В. (ID#380405581.![]() 31 мар. 2018 г. Схема включения TDA7384 TDA7386 TDA7560. Схема включения TDA7384 TDA7386 TDA7560. Схема включения TDA7384 TDA7386 TDA7560 чертеж печатной. Идеи На Тему «Радиолюбитель» (43) | Радиолюбитель, Электронная.![]() Заголовок сообщения: TDA7384 мостовой 4-х канальный усилитель. схема данной платы или изображение эскиза данной платы с размерами то буду. Усилитель Низкой Частоты На Микросхеме TDA7384![]() Благодаря использованию мостовой схемы включения усилитель развивает мощность до 40 Вт на нагрузке 4 Ом в каждом из четырех каналов. Особенностью усилителя. Заказать Микросхема Усилитель TDA7384 С Доставкой По Украине.![]() Первым делом выпаял из старых плат нужные детали, затем нашел в интернете печатную плату TDA 7384.lay и приступил к делу. Схема усилителя низкой частоты на. Помогите С TDA7388 - Песочница (Q&A) - Форум По Радиоэлектронике![]() 15 февр. 2008 г. 01.06.2020 - TDA7384 is carried out with a nice amp circuit powered + 2.13 volt single supply 22w power at 4Ω speakers can give TDA7384 and. 5 Шт., Тda7850, TDA7385, TDA7388, TDA7386, TDA7454, TDA7379.![]() 31 авг. 2008 г. усилитель звука, автомобильные усилители, усилитель мощности, схемы усилителей, корпуса микросхем, умзч, усилитель +для сабвуфера. | ||
|
| ||
| Всего комментариев: 0 | |

















