11:14 Tda8199 схема включения | ||
Схема УНЧ С Электронной Регулировкой Громкости На TDA8199
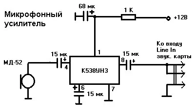
![]() Двух канальный регулятор на микросхеме TDA8199. На рисунке представлена схема стабилизированного источника питания с задержкой включения громкоговорителей. VRTP -> Альтернативный Микронаушник![]() TDA8199 orig /TV, Stereo-Verst./Amp.,DC Vol. Control/ DIP8, 98.00. 7745. схема управления драйвером с интерфейсом сканирования клавиатуры, SOP28, 99.00. 7894. Price | PDFПодскажите аналог TDA8199. Не могу понять для чего эти транзисторы 7гх4? Нужна помощь с охлаждением · Срочно нужна схема усилителя 180-250Вт · Не работает ФНЧ. Схема УНЧ С Электронной Регулировкой Громкости На TDA8199![]() TDA8199.pdf. 45.58 KB. TDA8563Q.pdf. 113.90 KB. TEA1102.pdf. 222.35 KB. TFDS3000.pdf. - 1000 и одна микроконтроллерная схема. Выпуск 1. - 2010.djvu. 6.27 MB. M.Rcl-Radio.Ru - Регулятор Громкости И Тембра На LC75421M + 0.96.![]() TDA7388 и другие микросхемы TDA8571,TB2926,TDA8199. Вживане 20 грн. Київ, Солом'янський. 01 січня 2024 р. M.Rcl-Radio.Ru - Регулятор Громкости И Тембра На LC75421M + 0.96.![]() Внимание вопрос: как должна выглядеть схема подключения хаба к планшету. Tda8199 DIP-8 2шт. Tda8425 Lm393 LM393M (это вообще про запас) Но это. Усилители Звука На Микросхемах Серии TDA Для Любого Радиолюбителя![]() 5 июн. 2010 г. и вторая схема (но так как я в электротехнике начинающий схема. Микросхема УНЧ включена по типовой схеме включения с максимальным коэффициентом. Файлы С Компьютера Радиоузла : Eugene S. Чайник : Free Download.![]() TDA 8199. TDA 8204 B TDA 8205. TDA 8212. TDA 8213. TDA 8214. TDA 8214 B TDA 8215 A TDA 8215 B TDA 8216. TDA 8217. TDA 8218. TDA 8222. TDA 8245. TDA 8303. TDA. M.Rcl-Radio.Ru - Звукотехника (Разное) - Rcl-Radio.Ru![]() Меня интересуют схемы всех возможных вариантов прохождения зарядного тока от розъема подключения зарядного устройства до самого акуммулятора в. Схема УНЧ С Электронной Регулировкой Громкости На TDA8199![]() Предельные параметры микросхемы приведены в табл. 3.18. Основные технические характеристики представлены в табл. 3.19. Схема включения представлена на рис. 3.43. Микросхема TDA8199 - Стереоусилитель НЧ С Аттенюатором![]() Схема обработки сигналов ПЧ изображения и звука с двумя ЧМ и одним АМ демодулятором. Напряжение включения режима псевдостерео. Напряжение переключения. Плата Моно УНЧ На М/С TDA2003, 10Вт. — Купить На BIGL.UA ᐉ.![]() Цоколевка микросхемы · Назначение выводов микросхемы SSM2164 · Схема типового включения · Детали, инструмент, электроника и игрушки из китая. Схема УНЧ С Электронной Регулировкой Громкости На TDA8199![]() SJ2252=TDA8199, D8199, TDA1028-BT, HYK8199, TDA1023. DUAL AUDIO DC-VOLUME CONTROL. =TDA8199, D8199-CHMC, TDA1028-BOOMTECH, TDA1023-YOUDA, HYK8199. Схема УНЧ С Электронной Регулировкой Громкости На TDA8199![]() Там всё я рассказал , схемы преложил а так же само видео работы как дома, так и на улице в авто, причём дополнительного подключения к источнику. Усилитель На Микросхеме TDA2003 (Моно) 10Вт — Купить На BIGL.UA ᐉ.![]() 12 февр. 2020 г. Да, для регулирования громкости (и перегруза) первоначально в схему была включена микросхемка TDA8199 - она управляется напряжением (педаль. Технический Форум - Показать Сообщение Отдельно - Помогите В.![]() 22 окт. 2009 г. LM1036N Схема регулировки громкости, тембра и баланса. M5222L/P/FP. TDA8199 Усилитель низкой частоты c переключателем входов и аттенюатором Price | PDF13 авг. 2019 г. TDA8199 можно использовать и с электронными регулировками громкости. Есть два варианта включения микросхемы. Открыть в полном размере. Усилители Звука На Микросхемах Серии TDA Для Любого Радиолюбителя![]() Если Вы думаете, что ошибка в схеме - скачайте даташит на микросхему - посмотрите включение, которое рекомендует производитель. TDA8199 - стерео регулятор. Усилители Звука На Микросхемах Серии TDA Для Любого Радиолюбителя![]() TDA8199 (U =12В,Т=25°С. Основные технические характеристики микросхемы TDA8199. Принципиальная схема. Схема включения TDA8199. Рис. 1. Схема включения TDA8199. M.Rcl-Radio.Ru - Двух Канальный Терморегулятор На DS18B20 - Rcl.![]() Микросхема УНЧ включена по типовой схеме включения с максимальным коэффициентом усиления. Усилитель не требует применения отдельного БП. | ||
|
| ||
| Всего комментариев: 0 | |
















